적응형 제어 설계
변화하는 프로세스 정보에 적응할 수 있는 제어기 설계
모델링되지 않은 시스템 동특성이나 외란과 같이 시간의 흐름에 따라 변하는 불확실성이 제어 시스템에 포함된 경우 적응형 제어기는 파라미터를 실시간으로 조정하여 변화하는 프로세스 정보를 보정할 수 있습니다. 이를 통해 제어기는 플랜트 동적 요소의 불확실성에도 불구하고 원하는 기준 추종을 달성할 수 있습니다.
Simulink® Control Design™은 다음과 같은 실시간 적응형 제어 방법을 위한 블록을 제공합니다.
극값 탐색 제어 — 제어 시스템에서 도출된 목적 함수를 최대화하기 위한 모델 프리(model-free) 적응형 제어
모델 참조 적응형 제어 — 알려진 기준 모델의 출력을 추종하는 적응형 제어
반복 학습 제어 — 반복 제어 작업의 성능 개선을 위한 모델 기반 및 모델 프리(model-free) 적응형 제어.
슬라이딩 모드 제어 — 불확실성과 외란이 존재하는 상황에서 높은 정밀도와 강인한 제어를 제공하기 위해 시스템 상태를 슬라이딩 면 위에 유지시키는 제어.
가상 기준 피드백 조정 - 입력-출력 데이터를 기반으로 선형으로 파라미터화된 제어기를 자동 조정
적응형 노치 필터 — 감지된 공명에 따라 노치 필터의 주파수, 깊이 및 폭을 자동으로 조정합니다.
블록
| Extremum Seeking Control | Compute controller parameters in real time by maximizing objective function |
| Model Reference Adaptive Control | Compute control actions to make controlled system track reference model (R2021b 이후) |
| Iterative Learning Control | Design iterative learning controller for repetitive control tasks (R2024b 이후) |
| Sliding Mode Controller (Reaching Law) | Design sliding mode controller based on reaching law (R2024b 이후) |
| Linear Sliding Mode Controller (State Feedback) | Design sliding mode control with knowledge of linear systems using state feedback (R2025a 이후) |
| Virtual Reference Feedback Tuning | Automatically tune linearly parameterized controllers based on input-output data (R2025a 이후) |
| Adaptive Notch Filter | Automatically adjust notch filter parameters based on detected resonance (R2026a 이후) |
함수
vrfttune | Tune controller parameters using virtual reference feedback tuning (VRFT) (R2026a 이후) |
vrfttuneOptions | Create options for virtual reference feedback tuning (R2026a 이후) |
도움말 항목
극값 탐색 제어
- 극값 탐색 제어
알 수 없는 시스템 동특성이 존재할 때 목적 함수를 최대화하기 위해 제어기 파라미터를 업데이트합니다. - Extremum Seeking Control for Reference Model Tracking of Uncertain Systems
Track a reference plant model by adapting feedforward and feedback gains for an uncertain dynamic system. - Anti-Lock Braking Using Extremum Seeking Control
Design an extremum seeking controller that maximizes the friction coefficient of an ABS system to achieve the shortest stopping distance.
모델 참조 적응형 제어
- 모델 참조 적응형 제어
불확실성이 존재하는 제어되는 시스템이 주어진 기준 플랜트 모델의 동작을 추종하도록 제어 동작을 계산합니다. - Model Reference Adaptive Control of Satellite Spin
Design an MRAC controller that adapts plant uncertainty model parameters to achieve performance that matches an ideal reference model. - Indirect Model Reference Adaptive Control of First-Order System
Design an indirect MRAC controller that estimates the properties of an unknown first-order system. - Indirect MRAC Control of Mass-Spring-Damper System
Design an indirect MRAC controller that estimates the parameters of an unknown MIMO system.
슬라이딩 모드 제어
- Sliding Mode Control
Design sliding mode control based on reaching law. (R2024b 이후) - Sliding Mode Control Design for Mass-Spring-Damper System
A sliding mode controller defines a sliding surface that the system state converges to and remains on. (R2024b 이후) - Sliding Mode Control Design for a Robotic Manipulator
Create a sliding mode controller for a robotic manipulator with two actuated joints. (R2024b 이후) - Stabilize Chua System Using Sliding Mode Controller
Design sliding mode controller to stabilize a chaotic system. (R2025a 이후) - Sliding Mode Control of DC Motor
Design SMC for reference tracking for a DC motor. (R2025a 이후)
반복 학습 제어
- Iterative Learning Control
Design iterative learning control for a repetitive control task. (R2024b 이후) - Iterative Learning Control of a Single-Input Single-Output System
Implement an ILC controller to improve closed-loop trajectory tracking performance. (R2024b 이후) - Model Based Iterative Learning Control of Multi-Input Multi-Output System
Implement model-based ILC controller to improve closed-loop trajectory tracking performance of a MIMO system. (R2024b 이후)
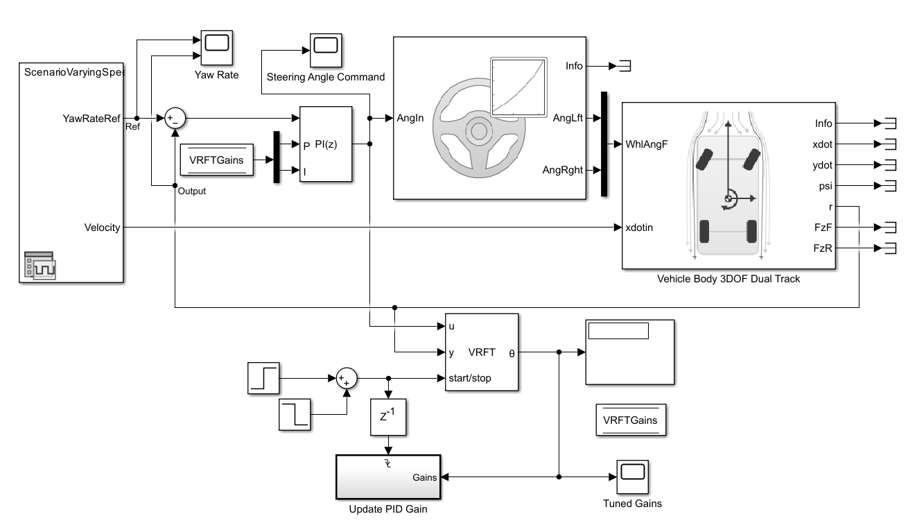
가상 기준 피드백 조정
- Virtual Reference Feedback Tuning
Automatically tune linear controllers such as FIR, PID, or a combination of linearly parameterized controllers based on input-output data. - Tune PID Controller for Mass-Spring-Damper System Using Virtual Reference Feedback Tuning Block
Tune PID controller for mass-spring-damper using VRFT. (R2025a 이후) - Tune FIR Filter Type Controller for Flexible Transmission System Using Virtual Reference Feedback Tuning Block
Tune FIR filter type controller using VRFT. (R2025a 이후) - Tune PID Controller for Mass-Spring-Damper System Using VRFT at Command Line
Tune PID controller at command line using thevrfttunefunction. (R2026a 이후)
적응형 노치 필터
- Suppress PMSM Harmonics Using Adaptive Notch Filter
Reduce harmonic distortion in a PMSM using an extremum seeking control based adaptive notch filter. (R2025a 이후) - Suppress Resonances Using Adaptive Notch Filter
Suppress resonances in a coupled inertia system using an adaptive notch filter implement using extremum seeking control and frequency response estimator. (R2025a 이후)






