Simscape Fluids

 

Simscape Fluids

유체 시스템 모델링 및 시뮬레이션

비디오 길이: 1:52
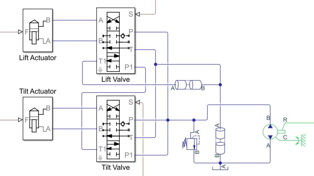
2개의 5방향, 3위치 중심 개방 방향 밸브로 제어하는 액추에이션 시스템.

유체 동력

건설 장비, 생산 기계, 항공우주 응용 분야에서 사용하는 액추에이션 시스템을 모델링할 수 있습니다. 열 효과를 평가하고 제어 알고리즘을 설계할 수 있습니다.

초임계 유체 영역에서의 조건이 적용된 증기 압축 냉장 사이클의 모델.

가열 및 냉각

배터리, 차량, 건물 및 기타 응용 분야의 열 관리 시스템을 모델링할 수 있습니다. 시스템 아키텍처를 평가하고 구성요소 수준 요구사항을 미세 조정할 수 있습니다.

펌핑 스테이션이 있는 항공기 연료 탱크 모델.

유체 이송

연료 탱크, 공급망, 윤활 조립체 및 기타 시스템의 유체 이송을 모델링할 수 있습니다. 예상되거나 비정상적인 동작 조건에서의 테스트를 자동화할 수 있습니다.

실제 시스템의 결함 검출에 사용되는 펌프의 디지털 트윈.

예측 정비

구성요소 고장을 예측하는 알고리즘을 생성하여 손실, 장비 가동 중단 시간, 비용을 최소화할 수 있습니다. 누설된 실링 또는 막힌 오리피스 등 고장난 구성요소를 모델링할 수 있습니다.

랭킨 사이클에 기반한 팀 터빈 시스템의 모델.

가상 테스트

하드웨어 프로토타입으로는 쉽게 테스트할 수 없는 조건에서 시스템의 거동을 검증할 수 있습니다. 멀티코어 워크스테이션 또는 클러스터에서 테스트 세트를 병렬로 실행할 수 있습니다.

전기차의 유체냉각형 영구자석 동기모터의 모델.

모델 배포

Simscape 모델을 C 코드로 변환하여 제어 알고리즘을 테스트할 수 있습니다. 직접 물리적 테스트를 수행하기 전에 dSPACE®, Speedgoat 및 기타 실시간 시스템에서 HIL 테스트를 실행할 수 있습니다.

3개의 특정 액추에이터를 모델링하기 위해 파라미터화된 일반 유압 액추에이터.

Simscape 플랫폼

전기, 열, 기계, 유압 및 공압 시스템의 통합을 단일 환경에서 테스트할 수 있습니다. 통합 문제를 식별하고 시스템 수준 성능을 최적화할 수 있습니다.

거친 드릴링, 정밀 드릴링, 리밍을 수행하는 유압식 구동 공작 기계의 모델.

MATLAB 및 Simulink

MATLAB을 사용하여 모델 조합, 테스트, 후처리 같은 작업을 자동화할 수 있습니다. Simulink를 사용하여 제어 알고리즘과 하드웨어 설계를 단일 환경에서 통합할 수 있습니다.

송풍기, 증발기, 히터, 덕트배관 구성요소로 이루어진 차량 HVAC 시스템 모델.

연구에서 생산까지

Simscape 모델을 통해 요구사항을 미세 조정하고, 제어 시스템을 설계하고, 임베디드 제어기를 테스트하고, 가동 중인 작업을 디지털 트윈으로 지원할 수 있습니다.

Simscape 제품군

Simscape 제품군은 물리 시스템을 시뮬레이션하기 위한 모델과 솔버 기술을 제공합니다. 컴포넌트를 설계도로 조립하여 전기, 기계, 유체 및 기타 물리 시스템을 모델링할 수 있습니다.

Simscape

멀티도메인 물리 시스템의 모델링 및 시뮬레이션

Simscape Electrical

전자, 메카트로닉, 전기 전력 시스템의 모델링 및 시뮬레이션

Simscape Battery

배터리 시스템과 에너지 저장 시스템 설계 및 시뮬레이션

Simscape Fluids

유체 시스템 모델링 및 시뮬레이션

Simscape Driveline

회전 및 병진 기계 시스템의 모델링 및 시뮬레이션

Simscape Multibody

다물체 기계 시스템 모델링 및 시뮬레이션

“Simulink, Simscape, 그리고 Simulink Real-Time 없이 실시간으로 실행되는 완전한 유압 시스템 모델을 구축한다는 건 불가능에 가까운 일이었습니다. 우리 시뮬레이터 덕분에 건설 장비의 새로운 개념을 테스트하고, 파라미터를 조정하고, 리드 타임을 단축하고, 현장에서의 문제를 최소화할 수 있었습니다.”

지금 그 가능성을 발견해 보세요.


구입할 준비가 되었나요?

가격을 확인하고 관련 제품을 살펴보세요.

학생이세요?

Campus-Wide License를 통해 이미 귀하의 학교에서 MATLAB, Simulink 및 그 밖의 애드온 제품에 대한 사용 권한을 제공하고 있을 수 있습니다.