응용 분야
Symbolic Math Toolbox는 수학 표현식을 고정밀도로 해석적 및 수치적으로 풀고, 플로팅하고, 조작할 수 있는 도구를 제공합니다. 기호 계산 결과를 통해 MATLAB® 함수, Simulink® 함수 블록, Simscape™ 방정식을 생성하여 다른 툴박스와 함께 사용할 수도 있습니다. 이러한 도구를 사용하여 응용 분야별 워크플로를 수행하십시오.
교육 및 연구
수학
- Eigenvalues of the Laplace Operator
This example shows how to solve the eigenvalue problem of the Laplace operator on an L-shaped region. - Solve Partial Differential Equation of Nonlinear Heat Transfer
This example shows how to solve a partial differential equation (PDE) of nonlinear heat transfer in a thin plate. - Solve Partial Differential Equation of Tsunami Model
This example simulates a tsunami wave phenomenon by solving the partial differential equations that model the tsunami. - Using Symbolic Mathematics with Optimization Toolbox Solvers
This example shows how to use the Symbolic Math Toolbox functionsjacobianandmatlabFunctionto provide analytical derivatives to optimization solvers. - Symbolic Math Toolbox를 사용한 해석적 플로팅
Symbolic Math Toolbox는 숫자 데이터를 명시적으로 생성하지 않고도 수학 표현식의 해석적 플로팅을 제공합니다.
물리
- 감쇠 조화 진동자의 물리학
이 예제에서는 구동력이 없는 경우의 운동 방정식을 풀어 감쇠 조화 진동자의 물리학을 살펴봅니다. - Simulate the Motion of the Periodic Swing of a Pendulum
Solve the equation of motion of a simple pendulum analytically for small angles and numerically for any angle. - Functional Derivatives Tutorial
This example shows how to use functional derivatives in Symbolic Math Toolbox using the context of a wave equation. - 라플라스 변환을 사용하여 RLC 회로의 미분 방정식 풀기
라플라스와 라플라스 역변환을 사용하여 RLC 회로의 미분 방정식을 풉니다. - Harmonic Analysis of Transfer Function Output
This example finds closed-form solutions for the coefficients of frequencies in an output signal. - Units in Physics Calculations
This example shows how to work with units in physics calculations.
수학 시스템 모델링
Animation and Model of Automotive Piston
This example shows how to model the motion of an automotive piston by using MATLAB and Symbolic Math Toolbox.
Padé Approximant of Time-Delay Input
This example shows how to use a Padé approximant in control system theory to model time delays in the response of a first-order system.
Analytical Model of Cantilever Truss Structure for Simscape
This example shows how to find parameterized analytical expressions for the displacement of a joint of a cantilever truss structure in both the static and frequency domains.
Estimate Model Parameters of a Symbolically Derived Plant Model in Simulink
This example uses Simulink Design Optimization to estimate the unknown capacitance and initial voltage of a symbolically derived algebraic model of a simple resistor-capacitor (RC) circuit.
Customize and Extend Simscape Libraries for a Custom DC Motor
Create custom-equation-based components for the Simscape library using Symbolic Math Toolbox.
Finite Element Formulation for Timoshenko Beam Problem
This example shows how to apply the finite element method (FEM) to solve a Timoshenko beam problem, using both linear and quadratic basis functions for analysis.
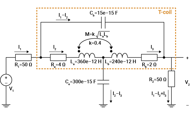
Analyze Transfer Function of T-Coil Circuit
This example shows how to analyze the transfer function of a T-coil circuit using Symbolic Math Toolbox™ and Control System Toolbox™.
로봇 제어 시스템
Analytical Solutions of the Inverse Kinematics of a Humanoid Robot
This example shows how to derive analytical solutions for the inverse kinematics of the head chain of a humanoid robot.
이 예제에서는 MATLAB과 Symbolic Math Toolbox를 사용하여 2링크 로봇 팔의 역기구학을 유도하고 적용하는 방법을 보여줍니다.
Derive Quadrotor Dynamics for Nonlinear Model Predictive Control
This example shows how to derive a continuous-time nonlinear model of a quadrotor using Symbolic Math Toolbox.
Autonomous Underwater Vehicle Pose Estimation Using Analytical Jacobians in Custom Sensor Models
This example shows how to compute analytical Jacobians using Symbolic Math Toolbox for Navigation Toolbox™ application, such as estimating the pose of an autonomous underwater vehicle.
Derive Equations of Motion and Simulate Cart-Pole System
This example shows how to derive the equations of motion for the cart-pole system using Symbolic Math Toolbox™ and then simulate the cart-pole system using the ode45 solver.
정량적 금융
The Black–Scholes Formula for Call Option Price
This example shows how to calculate the call option price using the Black–Scholes formula.
Explore Single-Period Asset Arbitrage
Explore basic arbitrage concepts in a single-period, two-state asset portfolio.
Simulate a Stochastic Process Using the Feynman–Kac Formula
This example obtains the partial differential equation that describes the expected final price of an asset whose price is a stochastic process given by a stochastic differential equation.
이 예제에서는 고유값 분해를 계산하여 간단한 마르코프 연쇄의 기호 정상 분포를 도출하는 방법을 보여줍니다.
관련 정보
추천 예제
Solve Partial Differential Equation of Nonlinear Heat Transfer
Solve a partial differential equation (PDE) of nonlinear heat transfer in a thin plate.
Simulate the Motion of the Periodic Swing of a Pendulum
Solve the equation of motion of a simple pendulum analytically for small angles and numerically for any angle.
Analyze Transfer Function of T-Coil Circuit
Analyze the transfer function of a T-coil circuit using Symbolic Math Toolbox™ and Control System Toolbox™. In this example, you define symbolic equations, solve for the transfer function, and analyze the stability, frequency response, and step response of the circuit.
2링크 로봇 팔의 역기구학 유도 및 적용
이 예제에서는 MATLAB과 Symbolic Math Toolbox를 사용하여 2링크 로봇 팔의 역기구학을 유도하고 적용하는 방법을 보여줍니다.
Derive Quadrotor Dynamics for Nonlinear Model Predictive Control
Derive a continuous-time nonlinear model of a quadrotor using Symbolic Math Toolbox.
Autonomous Underwater Vehicle Pose Estimation Using Analytical Jacobians in Custom Sensor Models
Compute analytical Jacobians using Symbolic Math Toolbox for Navigation Toolbox application, such as estimating the pose of an autonomous underwater vehicle.
Derive Equations of Motion and Simulate Cart-Pole System
Derive the equations of motion for the cart-pole system using Symbolic Math Toolbox™ and then simulate the cart-pole system using the ode45 solver. In the later sections of the example, you explore how to derive the equations in other forms that can be used to numerically simulate the system (and validate the results) using different tools, such as Simulink®, Simscape™ Multibody™, and Robotics System Toolbox™.
The Black–Scholes Formula for Call Option Price
Calculate the call option price using the Black–Scholes formula. This example uses vpasolve to numerically solve the problems of finding the spot price and implied volatility from the Black–Scholes formula.
MATLAB Command
You clicked a link that corresponds to this MATLAB command:
Run the command by entering it in the MATLAB Command Window. Web browsers do not support MATLAB commands.
웹사이트 선택
번역된 콘텐츠를 보고 지역별 이벤트와 혜택을 살펴보려면 웹사이트를 선택하십시오. 현재 계신 지역에 따라 다음 웹사이트를 권장합니다:
또한 다음 목록에서 웹사이트를 선택하실 수도 있습니다.
사이트 성능 최적화 방법
최고의 사이트 성능을 위해 중국 사이트(중국어 또는 영어)를 선택하십시오. 현재 계신 지역에서는 다른 국가의 MathWorks 사이트 방문이 최적화되지 않았습니다.
미주
- América Latina (Español)
- Canada (English)
- United States (English)
유럽
- Belgium (English)
- Denmark (English)
- Deutschland (Deutsch)
- España (Español)
- Finland (English)
- France (Français)
- Ireland (English)
- Italia (Italiano)
- Luxembourg (English)
- Netherlands (English)
- Norway (English)
- Österreich (Deutsch)
- Portugal (English)
- Sweden (English)
- Switzerland
- United Kingdom (English)






