Signal Integrity Toolbox

 

Signal Integrity Toolbox

고속 직렬 링크와 병렬 링크의 설계, 시뮬레이션 및 분석

비디오 길이: 2:41

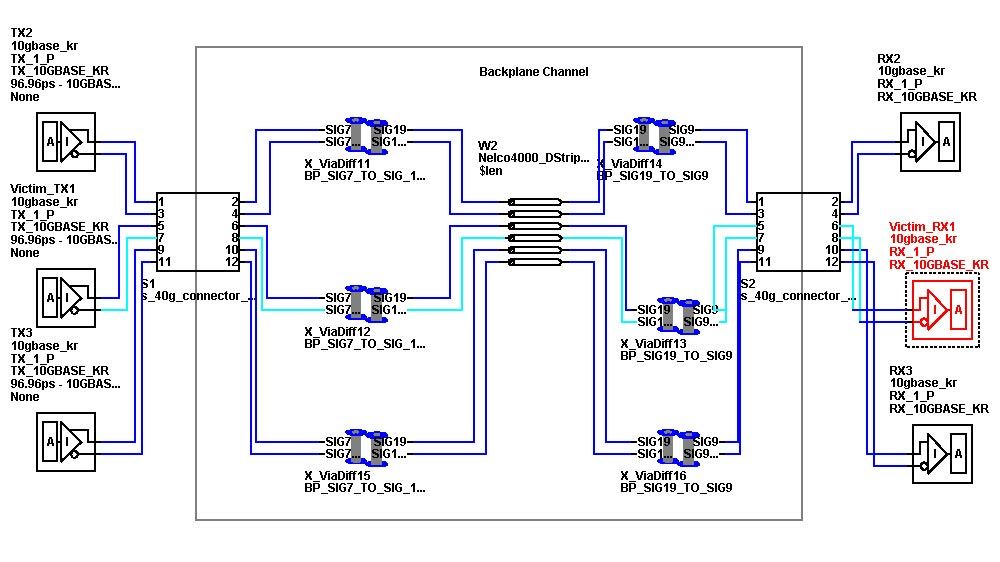
직렬 링크 분석

Serial Link Designer 앱을 사용하여 멀티기가비트 직렬 링크의 종단간 사전 레이아웃 분석을 수행할 수 있습니다. IBIS-AMI 모델, PCB 트레이스, 비아, 커넥터를 사용하여 손실, 반사, 누화 등을 분석할 수 있습니다.

DDR5 아이 다이어그램

병렬 링크 분석

Parallel Link Designer 앱을 사용하여 고속 병렬 링크의 셋업 및 홀드 타이밍과 전압 마진을 파악할 수 있습니다. 병렬 인터페이스가 타이밍 및 신호 무결성 제약 조건을 준수하는지 분석할 수 있습니다.

10GBASE-KR 준수 키트

표준 준수

PCIe, DDR, USB, 이더넷 및 기타 표준에 대한 50가지 이상의 준수 키트를 통해 직렬 링크와 병렬 링크가 산업 표준을 준수하는지 확인할 수 있습니다.

540개 시뮬레이션의 삽입 손실

설계 공간 탐색

파라미터와 채널을 스윕하여 실험계획법을 수행할 수 있습니다. Parallel Computing Toolbox 를 사용하여 대규모 분석의 속도를 높일 수 있습니다.

SerDes Toolbox에서의 IBIS-AMI 모델 생성

시뮬레이션을 위한 IBIS-AMI 모델

Signal Integrity Link를 사용하여 워크플로를 간소화하고 IBIS-AMI 모델을 SerDes Toolbox에서 직접 구축하고 가져올 수 있습니다. 또는 제3의 IC 회사가 제공하는 IBIS-AMI 모델을 사용하여 직렬 및 병렬 링크 성능을 분석할 수 있습니다.

단선 및 차동 PCB 트레이스 임피던스

사후 레이아웃 검증

RF PCB Toolbox로 사후 레이아웃 신호 무결성 검증을 위해 PCB 회로도를 가져오는 워크플로를 생성할 수 있습니다.

Signal Integrity Viewer 앱

신호 무결성 시각화

Signal Integrity Viewer 앱을 사용하여 S-파라미터와 HSPICE 모델에서 파형 및 비교 플롯을 생성할 수 있습니다.

툴박스 클래스의 계층구조와 이들이 어떻게 프로그래밍적으로 사용되는지를 보여주는 다이어그램.

신호 무결성 자동화

MATLAB 명령줄에서 시뮬레이션을 자동화하고 파형을 분석하며 시각화를 생성하고 리포트를 생성할 수 있습니다. 인공 지능과 머신러닝 알고리즘을 사용하여 설계를 최적화할 수 있습니다.

Open eye diagram with bathtub curve and clock PDF.

Waveform Measurements

Perform jitter measurements, generate eye diagrams, plot TDR, calculate SNDR, and reconstruct MER waveforms to evaluate measured or simulated waveform performance and ensure reliable high-speed data transmission.

지금 그 가능성을 발견해 보세요.


구입할 준비가 되었나요?

가격을 확인하고 관련 제품을 살펴보세요.

학생이세요?

Campus-Wide License를 통해 이미 귀하의 학교에서 MATLAB, Simulink 및 그 밖의 애드온 제품에 대한 사용 권한을 제공하고 있을 수 있습니다.