padStack
Description
A padstack is a 3D structure associated with holes that pass through multiple layers in a PCB allowing for the interconnection of components in different layers.
Create a padStack object from a
pcbFileReadObject.
Creation
Description
stackobj = padStack(
creates a pfile,'PadStackName')pcbFileRead and a 'PadStackName.
Input Arguments
pcbFileRead object specified as a string.
Example: stackobj = padStack(pfilename,'MHYC012') creates a
padStack object.
Name of the padstack in the pcb database.
Example: stackobj = padStack(pfilename,'MHYC012') creates
apadStack object using PadStackName set to
'MHYC012'.
Data Types: string
Properties
This property is read-only.
Number of pads in a padStack.
Example: 4
Data Types: int8
This property is read-only.
Types of pads in the padStack
Example: 'pin'
Data Types: string
This property is read-only.
Shape of the pads in the padStack.
Example: 1x1 Polygon
Data Types: cell
This property is read-only.
Center location of the pad.
Example: [6x2 double]
Data Types: cell
This property is read-only.
Length of the pad in inches when PadShape is
Rectangle.
Example: 0.05
Data Types: double
This property is read-only.
Width of the pad in inches when Padshape is
Rectangle.
Example: 0.025
Data Types: double
This property is read-only.
Hole diameter of the pad in inches when Padshape is
Circle.
Example: 0.005
Data Types: double
This property is read-only.
Pad diameter in inches when PadShape is
Circle.
Example: 0.012
Data Types: double
This property is read-only.
Shape of the antipad when PadType is
Via.
Example: 'Circle'
Data Types: string
This property is read-only.
Diameter of the antipad in inches when AntipadShape is
Circle.
Example: 0.012
Data Types: double
This property is read-only.
Width of the antipad in inches when AntipadShape is
Rectangle.
Example: 0.03
Data Types: double
Height of the antipad in inches when AntipadShape is
Rectangle.
Example: 0.02
Data Types: double
Information table of the pads when padType is
Via.
Via Pad Information
| Name | Information |
|---|---|
| PadIndex | Index of each pad |
| StartLayerNumber | Start layer number of the pad |
| StartLayerName | Start layer name of the pad |
| StopLayerNumber | Stop layer of the pad |
| StopLayerName | Stop layer name of the pad |
| LayerHeight | Layer height in inches from the bottom to the pad |
Data Types: table
This property is read-only.
Information table of the pads when PadType is
Pin.
Pin Pad Information
| Name | Information |
|---|---|
| PadIndex | Index of each pad |
| Component | Name of the component associated with the pad |
| PinNumber | Pin number of the component with which the pad is associated. |
| StartLayerNumber | Start layer number of the pad |
| StartLayerName | Start layer name of the pad |
| StopLayerNumber | Stop layer number of the pad |
| StopLayerName | Stop layer name of the pad |
| LayerHeight | Layer height in inches from the bottom to the pad |
Object Functions
shapes | Extract all metal layer shapes of PCB component |
Examples
This example shows how to read an Allegro file and create a pcbFileRead object. After this the following opertations will be executed:
Create layer, cadnet, padstack, part, and component objects form the pcbFileRead object
Create a powerDistributionNetwork object from the cadnet object
Set the properties of the powerDistributionNetwork object for voltage and current density anlysis
Analyse and visualize the voltage and current density
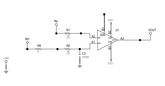
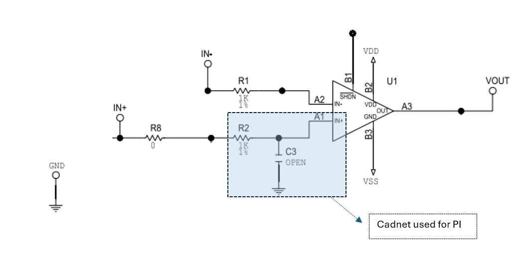
Here is the circuit:

Here is the pcb layout:

Read file
Read a native format Allegro file and look at the propeties of the pcb
pfile = pcbFileRead('native_ExampleBoard_Allegro')pfile =
pcbFileRead with properties:
FileName: 'native_ExampleBoard_Allegro'
NumLayers: 5
MetalLayer: [1 3 5]
DielectricLayer: [2 4]
LayerHeight: [0.0184 0.0104 0.0092 0.0012 0]
NumCadnets: 7
NumPadStacks: 6
NumComponents: 8
NumParts: 5
cadnetList(pfile)
ans=7×4 table
CadnetIdx CadnetName NumPins Length
_________ ___________________ _______ ______
1 {'Unconnected_Net'} 3 0
2 {'NET_OUTV' } 2 0.615
3 {'NET_GND' } 1 0.46
4 {'NET_IN22' } 2 0.645
5 {'NET_IN11' } 4 0.488
6 {'NET_INNEG' } 2 0.515
7 {'NET_INPOS' } 2 0.676
componentList(pfile)
ans=8×3 table
ComponentIdx ComponentName NumPins
____________ _____________ _______
1 {'OUT_V'} 1
2 {'U1' } 6
3 {'C3' } 2
4 {'R1' } 2
5 {'TP1' } 1
6 {'R2' } 2
7 {'IN_N' } 1
8 {'IN_P' } 1
partList(pfile)
ans=5×2 table
PartIdx PartName
_______ _______________
1 {'IOSINGLEPIN'}
2 {'IC6ANT' }
3 {'CAPGEN080' }
4 {'RESGENH40' }
5 {'RESGEN080' }
padStackList(pfile)
ans=6×2 table
PadstackIdx PadstackName
___________ ____________________
1 {'MHYCIRCLE009' }
2 {'MHYC012' }
3 {'MHYRECT46X59' }
4 {'MHYRECT80X60H40' }
5 {'VIA' }
6 {'MHYRECT46X59_TOP'}
stackUp(pfile)
ans=5×8 table
LayerNumber LayerName LayerType Material Thickness EpsilonR LossTangent Conductivity
___________ ______________ ______________ __________ _________ ________ ___________ ____________
1 {'TOP' } {'Signal' } {'COPPER'} 0.0012 1 0 5.96e+07
2 {'Dielectric'} {'Dielectric'} {'FR-4' } 0.008 4.5 0.035 0
3 {'LAYER2' } {'Plane' } {'COPPER'} 0.0012 1 0 5.96e+07
4 {'Dielectric'} {'Dielectric'} {'FR-4' } 0.008 4.5 0.035 0
5 {'BOTTOM' } {'Signal' } {'COPPER'} 0.0012 1 0 5.96e+07
Create layer object
Create and visualize a layer object
layerobj = layer(pfile,1,Type= 'All')layerobj =
layer with properties:
pcBoard: [1×1 pcbFileRead]
LayerNumber: 1
Type: "All"
LayerHeight: 0.0184
NumSurfaces: 1
NumPins: 14
NumVias: 4
NumTraces: []
EntityList: [1×1 struct]
show(layerobj)

Create a cadnet object
Create cadnet object and look at it data
cadobj = cadnet(pfile,'NET_IN11')cadobj =
cadnet with properties:
pcBoard: [1×1 pcbFileRead]
CadnetName: 'NET_IN11'
NumPins: 4
NumSurfaces: 2
NumVias: 4
NumTraces: 4
TotalLength: 0.4880
Voltage: 'NoDef'
LayerRange: [1 3 5]
EntityList: [1×1 struct]
figure show(cadobj)

Create a padstack object
Create a padstack object and look at its data
stackobj = padStack(pfile,'MHYC012')stackobj =
padStack with properties:
pcBoard: [1×1 pcbFileRead]
PadStackName: 'MHYC012'
PadType: 'Pin'
PadShape: 'Circle'
NumPads: 6
PadCenter: [6×2 double]
HoleDiameter: 0
PadDiameter: 0.0120
PinPadInfo: [6×8 table]
shapes(stackobj)
ans=6×1 cell array
{1×1 antenna.Polygon}
{1×1 antenna.Polygon}
{1×1 antenna.Polygon}
{1×1 antenna.Polygon}
{1×1 antenna.Polygon}
{1×1 antenna.Polygon}
Create a part object
Create a part object and look at its data
partobj = part(pfile,"IC6ANT")partobj =
part with properties:
pcBoard: [1×1 pcbFileRead]
PartName: 'IC6ANT'
NumComponents: 1
ComponentInfo: [1×7 table]
componentData(partobj)
ans =
component with properties:
pcBoard: [1×1 pcbFileRead]
ComponentName: 'U1'
PartName: 'IC6ANT'
ComponentType: 'IC'
NumPins: 6
Value: ''
Facement: 'TOP'
ComponentPinInfo: [6×7 table]
Create component object
Create a component object and look at its pin data
componentobj = component(pfile,'U1')componentobj =
component with properties:
pcBoard: [1×1 pcbFileRead]
ComponentName: 'U1'
PartName: 'IC6ANT'
ComponentType: 'IC'
NumPins: 6
Value: ''
Facement: 'TOP'
ComponentPinInfo: [6×7 table]
componentPinData(componentobj,1)
ans =
pinsData with properties:
PinShape: 'Circle'
PartNumber: 'IC6ANT'
Component: 'U1'
PinNumber: 'A3'
Value: ''
PadStack: 'MHYC012'
CadnetName: 'NET_OUTV'
StartLayer: 1
StopLayer: 1
Circular pin dimensions:
Center: [0.1010 0.2690]
Diameter: 0.0120
DrillHoleDiameter: 0
Create a power distribution network object
Create a power distribution network object from a cadnet object. After this the following operations can be performed:
Set up the the Network Parameters, DC Parameters, and DC Rules properties of the power distribution network for power integrity analysis
Analyse and visualize the voltage and current desnsity of the power distribution network
Here is the cadnet for power integrity analysis

pdnobj = powerDistributionNetwork(cadobj)
pdnobj =
powerDistributionNetwork with properties:
Network Parameters:
NetType: [1×1 cadnet]
Source: []
Load: []
Sense: []
PlatingThickness: []
DC Parameters:
NominalVoltage: []
LoadCurrent: []
DC Rules
MaxCurrentDensity: []
MinVoltage: []
MaxVoltage: []
MaxViaCurrent: []
To Analyse PDN:
Set Network Parameters: setNetworkParameters
Set DC Parameters: setDCParameters
Set DC Rules: setDCRules
Find the pins connected to the cadnet using the findComponents function
ConnPins = findComponents(cadobj)
ConnPins=4×5 table
ComponentIndex Refdes PinList ComponentType Part
______________ ______ _______ ______________ _______________
1 "C3" "1" {'Capacitor' } {'CAPGEN080' }
2 "R2" "2" {'Resistor' } {'RESGEN080' }
3 "TP1" "1" {'Test Point'} {'IOSINGLEPIN'}
4 "U1" "A1" {'IC' } {'IC6ANT' }
in = ConnPins.Refdes(2); out = [ConnPins.Refdes(1),ConnPins.Refdes(4)]; SensePin = ConnPins.Refdes(3);
Set the network parameters
setNetworkParameters(pdnobj,Source=in,Load=out,Sense=SensePin,PlatingThickness=0.0003);
powerDistributionNetwork with properties:
Network Parameters:
NetType: [1×1 cadnet]
Source: "R2"
Load: ["C3" "U1"]
Sense: "TP1"
PlatingThickness: 3.0000e-04
DC Parameters:
NominalVoltage: []
LoadCurrent: []
DC Rules
MaxCurrentDensity: []
MinVoltage: []
MaxVoltage: []
MaxViaCurrent: []
To Analyse PDN:
Set DC Parameters: setDCParameters
Set DC Rules: setDCRules
Set the DC parameters
setDCParameters(pdnobj,"LoadCurrent",[10e-3,10e-3],"NominalVoltage",2)
powerDistributionNetwork with properties:
Network Parameters:
NetType: [1×1 cadnet]
Source: "R2"
Load: ["C3" "U1"]
Sense: "TP1"
PlatingThickness: 3.0000e-04
DC Parameters:
NominalVoltage: 2
LoadCurrent: [0.0100 0.0100]
DC Rules
MaxCurrentDensity: []
MinVoltage: []
MaxVoltage: []
MaxViaCurrent: []
To Analyse PDN:
Set DC Rules: setDCRules
Set the DC rules
setDCRules(pdnobj,MinVoltage=1,MaxVoltage=2.00002,MaxCurrentDensity=4,MaxViaCurrent=2)
powerDistributionNetwork with properties:
Network Parameters:
NetType: [1×1 cadnet]
Source: "R2"
Load: ["C3" "U1"]
Sense: "TP1"
PlatingThickness: 3.0000e-04
DC Parameters:
NominalVoltage: 2
LoadCurrent: [0.0100 0.0100]
DC Rules
MaxCurrentDensity: 4
MinVoltage: 1
MaxVoltage: 2.0000
MaxViaCurrent: 2
Analyze voltage deviation
voltage(pdnobj);

Analyze current desnsity with direction enabled
current(pdnobj,Direction="on")
Version History
Introduced in R2025a
MATLAB Command
You clicked a link that corresponds to this MATLAB command:
Run the command by entering it in the MATLAB Command Window. Web browsers do not support MATLAB commands.
웹사이트 선택
번역된 콘텐츠를 보고 지역별 이벤트와 혜택을 살펴보려면 웹사이트를 선택하십시오. 현재 계신 지역에 따라 다음 웹사이트를 권장합니다:
또한 다음 목록에서 웹사이트를 선택하실 수도 있습니다.
사이트 성능 최적화 방법
최고의 사이트 성능을 위해 중국 사이트(중국어 또는 영어)를 선택하십시오. 현재 계신 지역에서는 다른 국가의 MathWorks 사이트 방문이 최적화되지 않았습니다.
미주
- América Latina (Español)
- Canada (English)
- United States (English)
유럽
- Belgium (English)
- Denmark (English)
- Deutschland (Deutsch)
- España (Español)
- Finland (English)
- France (Français)
- Ireland (English)
- Italia (Italiano)
- Luxembourg (English)
- Netherlands (English)
- Norway (English)
- Österreich (Deutsch)
- Portugal (English)
- Sweden (English)
- Switzerland
- United Kingdom (English)