이 번역 페이지는 최신 내용을 담고 있지 않습니다. 최신 내용을 영문으로 보려면 여기를 클릭하십시오.
위성의 요요 제어(Yo-Yo Control)
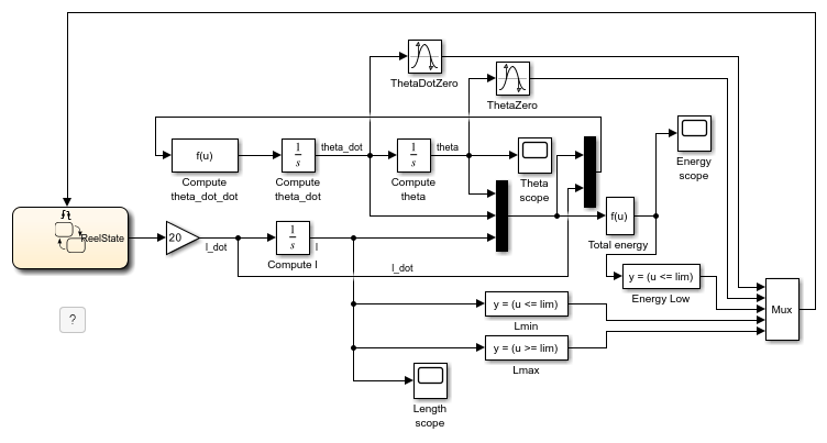
이 예제에서는 테더링된 위성 시스템(tethered satellite system)의 제어 시스템을 모델링하는 방법을 보여줍니다. 위성 시스템은 궤도 플랫폼에 긴 테더(tether)로 연결된 소형 위성으로 구성됩니다. 테더링된(즉, 테더로 연결된) 위성이 진동하면 지나치게 크게 움직이는 진자처럼 동작합니다. 제어 시스템은 테더의 길이를 변경하여 진자를 안정화합니다. 위성이 호의 중간 지점에 있을 때 최대 길이가 되도록 테더를 풀어주고(이에 따라 각가속도가 감소함), 위성의 각속도가 0일 때 테더를 감아줍니다(릴인, 릴아웃 방식).

Stateflow®는 Simulink®의 입력 이벤트를 사용하여 테더가 감기거나 풀리는 시점을 제어하는 데 사용됩니다.

위성이 스윙의 중간 지점에 있을 때(
) 상태 ReelOut이 활성화됩니다. 위성이 최대 거리로 풀렸을 때 상태 ReelStop이 활성화됩니다. 위성의 각속도가 0이 되면 ReelIn 상태가 활성화됩니다. 테더의 길이가 최소가 되면 ReelStop 상태가 다시 활성화됩니다. 마지막으로 위성의 총 에너지가 너무 낮으면 Inactive 상태로 진입하여 시스템이 비활성화됩니다.

참고 문헌
[1] Dabney, James B. and Harman, Thomas L. Mastering Simulink, 2003.